Zajadacz EVI

OBO 2069 T350 FS Hutschiene in

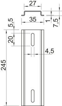
Extralängen f.T-Serie 248x35x7,5 1115388

Artikel
2940386
Lieferanten Typ
2069 T350 FS
Lieferanten Artikel
1115388

Beschreibung

Hutprofilschiene, Kabelabzweigkasten T-Serie

Stahl, galvanisch verzinkt, transparent passiviert
Hutprofilschienen 15x5 mm nach DIN EN 60715

Hersteller-Seite

Artikeleigenschaften

Zolltarif-Nr.
72166110
Ursprungs-Land
DE
WEEE-Land
DE
WEEE-Nummer
64419409
Werkstoff
Stahl
Oberflächenschutz
bandverzinkt
Lochform
Langloch
Materialstärke
1 mm
Länge
245 mm
Höhe
7,5 mm
ETIM-Klasse
Tragschiene für elektrische/industrielle Betriebsmittel

Artikelinformationen vom Hersteller