Zajadacz EVI

OBO isFang IN 4000 Isolierter Fangmast f

isCon-Ableitung innen 4000mm 5408934

Artikel
3678929
Lieferanten Typ
isFang IN 4000
Lieferanten Artikel
5408934

Beschreibung

· zur Verlegung der OBO isCon® Pro+ Ableitung im Rohr · zur Montage an der Gebäudestruktur mit Träger isFang · geeignet für Windlasten nach Eurocode 1: DIN EN 1991-1-4 · inklusive Anschlusselement (Typ isCon IN connect) · inklusive Potentialanschluss (Typ isCon IN PAE) · Standrohr und Fangspitze aus Aluminium · Mittelteil aus glasfaserverstärktem Kunststoff (GFK)

Hersteller-Seite

Artikeleigenschaften

Zolltarif-Nr.
85381000
Reach
2025-08-14 - Ja
Ursprungs-Land
DE
WEEE-Land
DE
WEEE-Nummer
64419409
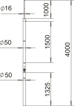
Länge
4000 mm
Ausführung
Fangstange
Werkstoff
sonstige
Anschluss
Rundleiter
Hochspannungsfeste isolierte Ausführung
ETIM-Klasse
Fangeinrichtung für Blitzschutz

Artikelinformationen vom Hersteller