Zajadacz EVI

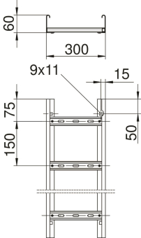
OBO LG 630 VSF6000FS Kabelleiter

60x300x6000 St FS 6207505

Artikel
2636380
Lieferanten Typ
LG 630 VSF 6 FS
Lieferanten Artikel
6207505

Beschreibung

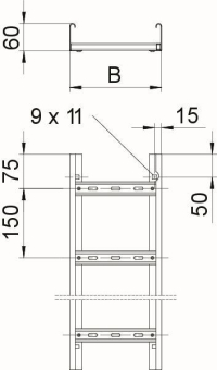
Kabelleiter für die waagerechte Verlegung von Kabeln und Leitungen. Einsetzbar als Normtragekonstruktion für den Funktionserhalt nach DIN 4102 Teil 12. Funktionserhaltklassen E30 bis E90. Mit eingenieteter nach oben offener C-Profil-Sprosse.

Hersteller-Seite

Artikeleigenschaften

Zolltarif-Nr.
73089059
Ursprungs-Land
DE
WEEE-Land
DE
WEEE-Nummer
64419409
Ausführung des Seitenholms
Profil (offen)
Seitenlochung
Ausführung der Sprosse
Profil gelocht
Befestigung der Sprosse
blindgenietet
Höhe
60 mm
Breite
300 mm
Länge
6000 mm
Nutzbarer Querschnitt
14800 qmm
Geeignet für Funktionserhalt
Sprossenmittenabstand
150 mm
Steigetrasse
Werkstoff
Stahl
Oberflächenschutz
bandverzinkt
Farbe
Zink
Gewicht
3,56 kg/m
ETIM-Klasse
Kabelleiter

Artikelinformationen vom Hersteller