Zajadacz EVI

OBO LG 640 VSF6000FS Kabelleiter

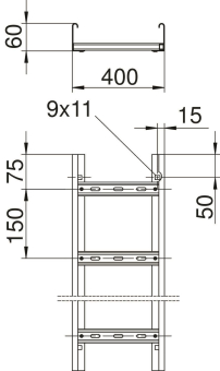
60x400x6000 St FS 6207509

Artikel
2636378
Lieferanten Typ
LG 640 VSF 6 FS
Lieferanten Artikel
6207509

Beschreibung

Kabelleiter für die waagerechte Verlegung von Kabeln und Leitungen. Einsetzbar als Normtragekonstruktion für den Funktionserhalt nach DIN 4102 Teil 12. Funktionserhaltklassen E30 bis E90. Mit eingenieteter nach oben offener C-Profil-Sprosse.

Hersteller-Seite

Artikeleigenschaften

Zolltarif-Nr.
73089059
Ursprungs-Land
DE
WEEE-Land
DE
WEEE-Nummer
64419409
Ausführung des Seitenholms
Profil (offen)
Seitenlochung
Ausführung der Sprosse
Profil gelocht
Befestigung der Sprosse
blindgenietet
Höhe
60 mm
Breite
400 mm
Länge
6000 mm
Nutzbarer Querschnitt
19800 qmm
Geeignet für Funktionserhalt
Sprossenmittenabstand
150 mm
Steigetrasse
Werkstoff
Stahl
Oberflächenschutz
bandverzinkt
Farbe
Zink
Gewicht
4,07 kg/m
ETIM-Klasse
Kabelleiter

Artikelinformationen vom Hersteller