Zajadacz EVI

OBO V-TEC VM LM75MS2 Kabelverschraubung

m.langem Anschlussgewinde M75 2086159

Artikel
3606875
Lieferanten Typ
V-TEC VM LM75MS2
Lieferanten Artikel
2086159

Beschreibung

Robuste Kabelverschraubung mit metrischem Anschlussgewinde nach IEC 423 in Hutmutterbauart für hohe Dichtigkeitsansprüche. Zugentlastung, Verdrehschutz und Dichtigkeit über den gesamten Spannbereich. Für dickere Gehäusewandstärken in Verbindung mit Gegenmutter. Dichtring aus Neopren. Klemmeinsatz aus Polyamid. Mit vormontiertem Dichtring am Anschlussgewinde, Schutzart IP68 bei 5 bar/1 h. Mit langem Anschlussgewinde. * Preise laut DEL-Notierung.

Hersteller-Seite

Artikeleigenschaften

Zolltarif-Nr.
74153900
ISO 50001 Zertifizierung
ISO 14001 Zertifizierung
Reach
2026-01-30 - Ja
Ursprungs-Land
DE
WEEE-Land
DE
WEEE-Nummer
64419409
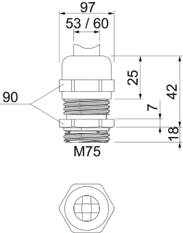
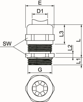
Gewindeart
metrisch
Gewindelänge
18 mm
Schlüsselweite
90 mm
Geeignet für Kabeldurchmesser
53 - 60 mm
Werkstoff
Metall
Werkstoffgüte
Messing
Oberflächenschutz
vernickelt
Halogenfrei
Glasfaserverstärkt
Schutzart (IP)
IP68
Schlagfest
Biegeschutz
Mit Gegenmutter
Ausführung
gerade
Mehrfach-Dichteinsatz
Flachkabelverschraubung
Mit Zugentlastung
Art der Dichtung
Dichtring
Einsatztemperatur
-20 - 100 °C
Explosionsgeprüfte Ausführung
ETIM-Klasse
Kabelverschraubung

Artikelinformationen vom Hersteller

Zubehör

Oft zusammen gekauft