Zajadacz EVI

OBO MS4182P6000FS Profilschiene gelocht

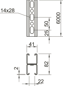
Schlitzweite 22mm 6000x41x82 St 1122678

Artikel
3803167
Lieferanten Typ
MS4182P6000FS
Lieferanten Artikel
1122678

Beschreibung

Montageschiene, MS 41, doppelt Ausführung
FS bandverzinkt
Profil-/Montageschiene mit durchgängiger Lochung im Boden in schwerer Ausführung und 22 mm Schlitzweite. In doppelter Ausführung, das heißt zwei Profilschienen sind am Boden miteinander verbunden (geclincht).
Ausführung: FS bandverzinkt, gelocht
Maße (BxH): 41x82 mm
Materialstärke: 2 mm
Länge: 6000 mm

Hersteller-Seite

Artikeleigenschaften

Zolltarif-Nr.
72166110
Ursprungs-Land
DE
WEEE-Land
DE
WEEE-Nummer
64419409
Länge
6000 mm
Breite
41 mm
Höhe
82 mm
Materialstärke
2 mm
Profilform
C-Profil
Art der Lochung
Steg gelocht
Mit Zahnung
Flächenträgheitsmoment ly
30,69 cm4
Flächenträgheitsmoment lz
15,11 cm4
Widerstandsmoment Wy
2,51 ccm
Widerstandsmoment Wz
2,69 ccm
Geeignet für Funktionserhalt
Werkstoff
Stahl
Oberflächenschutz
bandverzinkt
Gewicht
4,02 kg
ETIM-Klasse
Stiel/Profilschiene

Artikelinformationen vom Hersteller