Zajadacz EVI

OBO RBV 630 F A2 Vertikalbogen 90°

fallend 60x300 A2 1.4301 2B 7007159

Artikel
3606971
Lieferanten Typ
RBV 630 F A2
Lieferanten Artikel
7007159

Beschreibung

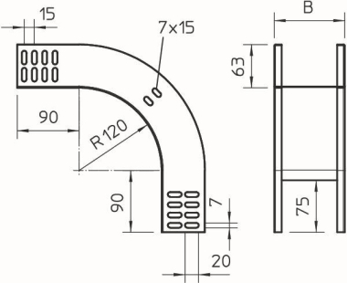
Vertikalbogen 90° in fallender Ausführung für alle Kabelrinnentypen mit der Seitenhöhe 60 mm.

Hersteller-Seite

Artikeleigenschaften

Zolltarif-Nr.
73089059
Ursprungs-Land
HU
WEEE-Land
DE
WEEE-Nummer
64419409
Richtungsänderung
vertikal fallend
Winkel
90°
Bauform
Bogen starr
Bogenausführung
glatter Bogen
Für Verbindung mit Schrauben
Für schraubenlose Verbindung
Mit Oberteil
Innenradius
120 mm
Geeignet für Kabelrinnenhöhe
60 mm
Geeignet für Kabelrinnenbreite
300 mm
Materialstärke
1 mm
Seitenlochung
Montagelochung im Boden
NATO-Lochbild
Ausführung
ohne Verbinder
Geeignet für Funktionserhalt
Werkstoff
rostfreier Stahl
Rostfreier Stahl, gebeizt
Werkstoffgüte
rost- und säurebeständiger Stahl
Oberflächenschutz
sonstige
Einsatztemperatur
-20 - 120 °C
Farbe
Edelstahl
ETIM-Klasse
Bogen für Kabelrinne

Artikelinformationen vom Hersteller