Zajadacz EVI

OBO BSK-W0511 Trennwinkel

f.Brandschutzkanal BSK St FS 7215312

Artikel
122415
Lieferanten Typ
BSKD-W0511
Lieferanten Artikel
7215312

Beschreibung

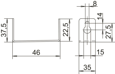
BSK Trennwinkel
als Installationshilfe bei Wandmontage
Abmessungen mm: 46x37,5 mm

Hersteller-Seite

Artikeleigenschaften

Zolltarif-Nr.
73089059
ISO 50001 Zertifizierung
ISO 14001 Zertifizierung
Ursprungs-Land
HU
WEEE-Land
DE
WEEE-Nummer
64419409
Kanalhöhe innen
50 mm
Kanalbreite innen
110 mm
Werkstoff
Stahl
Befestigungsart
schraubbar
ETIM-Klasse
Kabelhalteklammer für Brandschutzkanal

Artikelinformationen vom Hersteller

Oft zusammen gekauft