Zajadacz EVI

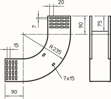
OBO RBV 120 S FS Vertikalbogen 90°

steigend 110x200 St FS 7007314

Artikel
3312005
Lieferanten Typ
RBV 120 S FS
Lieferanten Artikel
7007314

Beschreibung

Vertikalbogen 90° in steigender Ausführung für alle Kabelrinnentypen mit der Seitenhöhe 110 mm.

Hersteller-Seite

Artikeleigenschaften

Zolltarif-Nr.
73089059
Ursprungs-Land
HU
WEEE-Land
DE
WEEE-Nummer
64419409
Richtungsänderung
vertikal steigend
Winkel
90°
Für Verbindung mit Schrauben
Für schraubenlose Verbindung
Geeignet für Kabelrinnenhöhe
110 mm
Geeignet für Kabelrinnenbreite
200 mm
Materialstärke
1 mm
Seitenlochung
Montagelochung im Boden
NATO-Lochbild
Ausführung
ohne Verbinder
Geeignet für Funktionserhalt
Werkstoff
Stahl
Rostfreier Stahl, gebeizt
Oberflächenschutz
bandverzinkt
Farbe
Zink
ETIM-Klasse
Bogen für Kabelrinne

Artikelinformationen vom Hersteller

Zubehör

Oft zusammen gekauft