Zajadacz EVI

OBO RBV 130 S FT Vertikalbogen 90°

steigend 110x300 St FT 7007319

Artikel
3606997
Lieferanten Typ
RBV 130 S FT
Lieferanten Artikel
7007319

Beschreibung

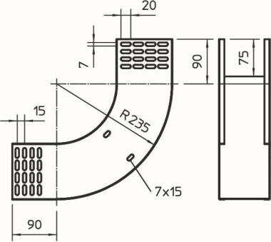
Vertikalbogen 90° in steigender Ausführung für alle Kabelrinnentypen mit der Seitenhöhe 110 mm.

Hersteller-Seite

Artikeleigenschaften

Zolltarif-Nr.
73089059
Ursprungs-Land
HU
WEEE-Land
DE
WEEE-Nummer
64419409
Richtungsänderung
vertikal steigend
Winkel
90°
Für Verbindung mit Schrauben
Für schraubenlose Verbindung
Geeignet für Kabelrinnenhöhe
110 mm
Geeignet für Kabelrinnenbreite
300 mm
Materialstärke
1 mm
Seitenlochung
Montagelochung im Boden
NATO-Lochbild
Ausführung
ohne Verbinder
Geeignet für Funktionserhalt
Werkstoff
Stahl
Rostfreier Stahl, gebeizt
Oberflächenschutz
feuerverzinkt
Farbe
Zink
ETIM-Klasse
Bogen für Kabelrinne

Artikelinformationen vom Hersteller

Zubehör

Oft zusammen gekauft