Zajadacz EVI

OBO WESP 50 40 SG Winkelprofil

40x50x3000 St SG 7105675

Artikel
3274932
Lieferanten Typ
WESP 50 40 SG
Lieferanten Artikel
7105675

Beschreibung

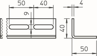
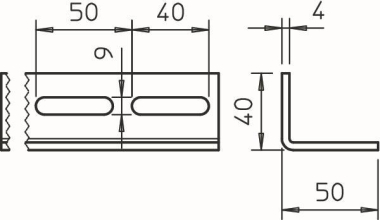
Winkelprofil mit doppelter Lochreihe zur Erstellung von Abhänge- und Tragkonstruktionen.

Hersteller-Seite

Artikeleigenschaften

Zolltarif-Nr.
73089059
Ursprungs-Land
DE
WEEE-Land
DE
WEEE-Nummer
64419409
Länge
3000 mm
Materialstärke
4 mm
Werkstoff
Stahl
Werkstoffgüte
sonstige
Farbe
ohne
ETIM-Klasse
Stiel/Profilschiene

Artikelinformationen vom Hersteller