Zajadacz EVI

Opple LED Apollo HC350 520098001800

bracket Ausleger Weiß

Artikel
5936534
Lieferanten Typ
LED Apollo HC350 bra
Lieferanten Artikel
520098001800

Beschreibung

Zubehörteile

Sensor nur bei Verwendung ohne Dimmer. Sensorbereich 12 m. Der HC300 Montagebügel ist geeignet für die Rd250 Versionen und wird in einer Verpackungseinheit von 2 Stück verkauft. Der HC350 Bügel ist geeignet für die Rd350 und Rd450 Versionen und wird in einer Verpackungseinheit von 3 Stück verkauft.

Hersteller-Seite

Artikeleigenschaften

Zolltarif-Nr.
94059900
Ursprungs-Land
CN
WEEE-Land
DE
WEEE-Nummer
53898537
Art des Zubehörs/Ersatzteils
Ausleger
Zubehör
Ersatzteil
Transparent
Farbe
weiß
Werkstoff
Stahl
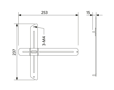
Länge
253 mm
Breite
237,2 mm
Höhe
1,5 mm
ETIM-Klasse
Mechanisches Zubehör/Ersatzteile für Leuchten

Oft zusammen gekauft