Zajadacz EVI

PHOE Phoenix TTC-6P-1X2-EX-24DC-UT-I

TTC-6P-1X2-EX-24DC-UT-I 1065312

Artikel
5662450
Lieferanten Typ
TTC-6P-1X2-EX-24DC-U
Lieferanten Artikel
1065312

Beschreibung

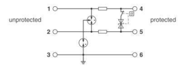
Überspannungsschutz, bestehend aus Schutzstecker und Basiselement, mit integrierter Statusanzeige für einen 2-adrigen erdpotenzialfrei betriebenen Ex-i-Signalkreis, z.B. 0(4)…20 mA Stromschleife, HART-fähig. In sicherheitsgerichteten Kreisen bis SIL 3 einsetzbar.

Hersteller-Seite

Artikeleigenschaften

Zolltarif-Nr.
85363010
Reach
2025-10-09 - Ja
Ursprungs-Land
DE
WEEE-Land
DE
WEEE-Nummer
50738265
Nennspannung AC
24 - 24 V
ETIM-Klasse
Kombi-Ableiter für Informations-/MSR-Technik