Zajadacz EVI

Phoenix 1061383 TTC-6P-3-24DC-PT-I

Überspannungsschutzgerät

Artikel
5856100
Lieferanten Typ
TTC-6P-3-24DC-PT-I
Lieferanten Artikel
1061383

Beschreibung

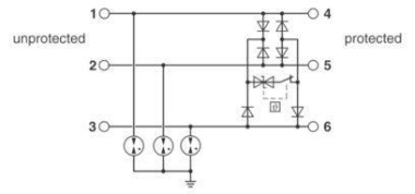
Überspannungsschutz, bestehend aus Schutzstecker und Basiselement, mit integrierter Statusanzeige für einen 3-adrigen erdpotenzialfrei betriebenen Signalkreis mit hohem Nennstrom, EX e-Zulassung für Zone 2, HART-fähig. In sicherheitsgerichteten Kreisen bis SIL 3 einsetzbar.

Hersteller-Seite

Artikeleigenschaften

Zolltarif-Nr.
85363010
Reach
2025-10-09 - Ja
Ursprungs-Land
DE
WEEE-Land
DE
WEEE-Nummer
50738265
Nennspannung DC
24 - 24 V
ETIM-Klasse
Überspannungsableiter für Informations-/MSR-Technik

Zubehör

Oft zusammen gekauft