Zajadacz EVI

Phoenix 1069556 PLC-PT-ELR W1/ 2-24DC

Wendelastrelais

Artikel
5712095
Lieferanten Typ
PLC-PT-ELR W1/ 2-24D
Lieferanten Artikel
1069556

Beschreibung

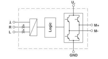
PLC-INTERFACE als elektronisches Wendelastrelais, bestehend aus Grundklemme PLC-BPT.../21 mit Push-in-Anschluss und integrierter Schaltung, zur Ansteuerung von DC-Motoren mit Leuchtanzeige und Schutzbeschaltung, Ausgang: 10 ... 30 V DC/2 A

Hersteller-Seite

Artikeleigenschaften

Zolltarif-Nr.
85371098
Reach
2025-10-09 - Ja
Ursprungs-Land
DE
WEEE-Land
DE
WEEE-Nummer
50738265
Bemessungssteuerspeisespannung DC
19.2 - 19.2 V
Spannungsart zur Betätigung
DC
Anzahl der Öffner als Hauptkontakte
0
Anzahl der Schließer als Hauptkontakte
1
Anschlussart Hauptstromkreis
Federzuganschluss
Anzahl der Hilfskontakte als Schließer
0
Anzahl der Hilfskontakte als Öffner
0
Geeignet für Reiheneinbau
ETIM-Klasse
Leistungsschütz zum Schalten von Gleichstrom