Zajadacz EVI

Phoenix 1164300 EV-T2M3SO12-4P-B

Infrastruktur-Ladedose

Artikel
6439003
Lieferanten Typ
EV-T2M3SO12-4P-B
Lieferanten Artikel
1164300

Beschreibung

Infrastruktur-Ladedose

CHARX connect, Infrastruktur-Ladedose, rückseitige Schutzdeckelverschraubung, wiederanschließbar. Zum Laden mit Wechselstrom (AC) von Elektrofahrzeugen (EV), Kompatibel zu Infrastruktur-Ladesteckern, Typ 2, IEC 62196-2, 32 A/480 V (AC), ohne Leitung, Verriegelungsaktuator: 12 V, Rückwandmontage, M5-Gewinde, Generation 2 Basic.

Hersteller-Seite

Artikeleigenschaften

Zolltarif-Nr.
85366990
Reach
2025-10-09 - Ja
Ursprungs-Land
DE
WEEE-Land
DE
WEEE-Nummer
50738265
Standard
Typ 2
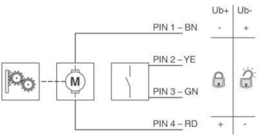
Mit Verriegelungsaktuator
Mit Zugangsverriegelung
Schutzart (IP)
IP44
Breite
75 mm
Höhe
91,71 mm
Tiefe
87,95 mm
Nennspannung
480 V
Max. Nennstrom
32 A
Stromart
AC 3-phasig
Anzahl der Kommunikationskontakte
2
Länge der festangeschlossenen Leitung
1 m
LED integriert
Querschnitt der Leistungskontakte
6 - 6 qmm
ETIM-Klasse
Ladesteckvorrichtung E-Mobility

Zubehör

Oft zusammen gekauft