Zajadacz EVI

Phoenix 2296281 FLKM 50/4-FLK14/PA-S300

Systemstecker

Artikel
076582
Lieferanten Typ
FLKM 50/4-FLK14/PA-S
Lieferanten Artikel
2296281

Beschreibung

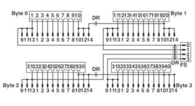
Frontadapter, anschaltbar 4 x 8 Kanäle für SIMATIC S7-300, 14-polig

Hersteller-Seite

Artikeleigenschaften

Zolltarif-Nr.
85369010
Reach
2025-10-09 - Ja
Ursprungs-Land
DE
WEEE-Land
DE
WEEE-Nummer
50738265
Art des elektrischen Zubehörs
Adapter
Zubehör
Ersatzteil
ETIM-Klasse
Zubehör/Ersatzteile für Steuerungen

Zubehör

Oft zusammen gekauft