Zajadacz EVI

Phoenix 2744694 SUBCON-PLUS-CAN

D-SUB-Busstecker

Artikel
081118
Lieferanten Typ
SUBCON-PLUS-CAN
Lieferanten Artikel
2744694

Beschreibung

SUBCON-PLUS-CAN
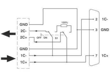
9-poliger D-SUB Buchse für CAN, CAN OPEN, Safety Bus bis 1,5 Mbit/s
--- mit Schraub-Printklemmen
--- Kabelzuführung von links oder von rechts Vor-Ort konfigurierbar
Integrierte Abschlußwiderstände sind über Schiebeschalter zuschalbar sowie die weiterführende
Busleitung abschaltbar. Geschirmtes, metallisiertes Gehäuse,
Ausführung: Pin-Belegung 2,3 7
Maße (B x H x T): 44,5 x 36 59,5 mm

Hersteller-Seite

Artikeleigenschaften

Zolltarif-Nr.
85366990
Reach
2025-10-09 - Ja
Ursprungs-Land
DE
WEEE-Land
DE
WEEE-Nummer
50738265
Polzahl
9
Kontaktausführung
weiblich (female)
ETIM-Klasse
D-Sub-Steckverbinder