Zajadacz EVI

Phoenix 2801248 PT-IQ-2X1+F-24DC-PT

Überspannungsschutzgerät

Artikel
4029737
Lieferanten Typ
PT-IQ-2X1+F-24DC-PT
Lieferanten Artikel
2801248

Beschreibung

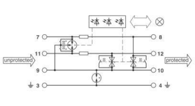
Schutzmodule (Teil 2)
- bestehend aus Schutzstecker und Basiselement

Technische Daten:
Nennableitstoßstrom IN (8/20)µs: 10 kA
Blitzprüfstrom Iimp (10/350)µs: 2,5 kA
Anschlussdaten starr/flexibel m. Aderendhülse: 0,2...4 mm2/0,2...2,5 mm2
Temperaturbereich: -40...70 °C
IEC-Prüfklasse/EN-Type: C1, C2, C3, D1
Gehäusebreite: 17,7 mm ∼ 1TE
Push-in-Anschluss
Anschlussart: Push-in-Anschluss
Betriebsspannung: 24 V DC
Nennstrom: 1 A (45 °C)
Schutzpegel U p: ≤ 800 V

Hersteller-Seite

Artikeleigenschaften

Zolltarif-Nr.
85363030
Reach
2025-10-09 - Ja
Ursprungs-Land
DE
WEEE-Land
DE
WEEE-Nummer
50738265
Nennspannung DC
24 - 24 V
ETIM-Klasse
Überspannungsableiter für Informations-/MSR-Technik

Zubehör

Oft zusammen gekauft