Zajadacz EVI

Phoenix 2801593 DT-TELE-SHDSL

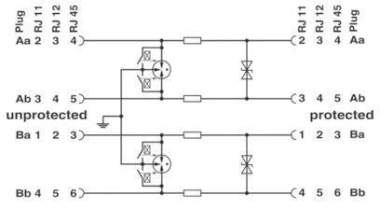
Überspannungsableiter DATATRAB

Artikel
4197921
Lieferanten Typ
DT-TELE-SHDSL
Lieferanten Artikel
2801593

Beschreibung

Überspannungsableiter DATATRAB
für zwei SHDSL-Telekommunikationsschnittstellen

- Zum Schutz von SHDSL-Telekommunikations-Schnittstellen
- Überspannungsableiter als Zwischenstecker RJ45 (RJ12/RJ11) und steckbarer Schraubklemme (COMBICON)
- Adaptereinsatz zum Anpassen von RJ11/RJ12 auf RJ45
- Schutzschaltung in Anlehnung an Anforderungsklassen: IEC-Anforderungsklasse: B2, C1, C2, C3, D1
- Adapter und Hutschienenmodul

Weitere Überspannungsableiter für andere Anwendungsgebiete sind im Phoenix Contact Katalog Band 6 Überspannungsschutz und Stromversorgungen dokumentiert. Bitte informieren Sie sich.

Hersteller-Seite

Artikeleigenschaften

Zolltarif-Nr.
85363010
Reach
2025-10-09 - Ja
Ursprungs-Land
DE
WEEE-Land
DE
WEEE-Nummer
50738265

Zubehör

Oft zusammen gekauft