Zajadacz EVI

Phoenix 2838898 VAL-MS/3+1-BE/FM

Überspannungsschutz-Basiselement Typ 2

Artikel
062260
Lieferanten Typ
VAL-MS/3+1-BE/FM
Lieferanten Artikel
2838898

Beschreibung

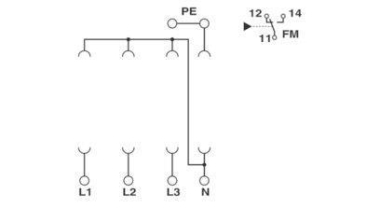
Basiselement für Typ 2-Ableiter der Produktreihe VALVETRAB MS, mit Fernmeldekontakt. Ausführung für 3-phasige Stromversorgungen mit separater Leitungsführung von N und PE.

Hersteller-Seite

Artikeleigenschaften

Zolltarif-Nr.
85366990
Reach
2025-10-09 - Ja
Ursprungs-Land
DE
WEEE-Land
DE
WEEE-Nummer
50738265
Art des Zubehörs/Ersatzteils
sonstige
Zubehör
Ersatzteil
ETIM-Klasse
Zubehör/Ersatzteile für Überspannungsschutz Energietechnik