Zajadacz EVI

Phoenix 2866093 EMD-SL-PTC

Überwachungsrelais

Artikel
118209
Lieferanten Typ
EMD-SL-PTC
Lieferanten Artikel
2866093

Beschreibung

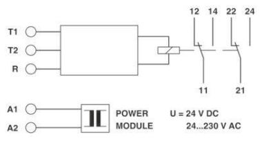
Überwachungsrelais zur Temperaturüberwachung von Motorwicklungen (maximal 6 PTC) mit Fehlerspeicher, für Temperaturfühler nach DIN 44081, Testfunktion mit integrierter Test/Reset-Taste, Versorgungsspannung wählbar über Powermodul, 2 Wechsler

Hersteller-Seite

Artikeleigenschaften

Zolltarif-Nr.
85364900
Reach
2025-10-09 - Ja
Ursprungs-Land
AT
WEEE-Land
DE
WEEE-Nummer
50738265
Ausführung des elektrischen Anschlusses
Schraubanschluss
Mit abnehmbaren Klemmen
Fehlerspeicherung möglich
Externer Reset möglich
Anzahl der Kontakte als Öffner
0
Anzahl der Kontakte als Schließer
0
Anzahl der Kontakte als Wechsler
2
Breite
22,5 mm
Höhe
90 mm
Tiefe
113 mm
ETIM-Klasse
Temperaturüberwachungsgerät

Oft zusammen gekauft