Zajadacz EVI

Phoenix 2900538 ELR H5-SC- 24DC/500AC-9

Hybrid-Motorstarter

Artikel
3314188
Lieferanten Typ
ELR H5-SC- 24DC/500A
Lieferanten Artikel
2900538

Beschreibung

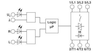
Hybrid-Motorstarter zum Reversieren von 3~ AC-Motoren bis 500 V AC und 9 A Ausgangsstrom, mit 24 V DC Steuerspannung und Schraubanschluss.

Hersteller-Seite

Artikeleigenschaften

Zolltarif-Nr.
85371098
Reach
2025-10-09 - Ja
Ursprungs-Land
DE
WEEE-Land
DE
WEEE-Nummer
50738265
Art des Motorstarters
Wendestarter
Mit Kurzschlussauslöser
Bemessungssteuerspeisespannung DC
19.2 - 19.2 V
Spannungsart zur Betätigung
DC
Bemessungsbetriebsstrom Ie
9 A
Bemessungsbetriebsstrom bei AC-3, 400 V
9 A
Überlastauslöser Stromeinstellung
0 - 9 A
Anzahl der Hilfskontakte als Schließer
0
Anzahl der Hilfskontakte als Öffner
0
Temperaturkompensierter Überlastschutz
Anschlussart Hauptstromkreis
Schraubanschluss
Ausführung elektrischer Anschluss für Hilfs- und Steuerstromkreis
Schraubanschluss
Tragschienenmontage möglich
Anzahl der Befehlsstellen
0
Externer Reset möglich
Schutzart (IP)
IP20
Breite
22,5 mm
Höhe
107 mm
Tiefe
114 mm
ETIM-Klasse
Motorstarter/Motorstarterkombination

Zubehör

Oft zusammen gekauft