Zajadacz EVI

Phoenix 2902832 MINI MCR-SL-F-UI-NC

Frequenz-Messumformer

Artikel
3921203
Lieferanten Typ
MINI MCR-SL-F-UI-NC
Lieferanten Artikel
2902832

Beschreibung

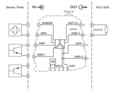
Der konfigurierbare Frequenzmessumformer ist für den Anschluss von NAMUR Näherungsinitiatoren und Sensorik mit NPN, PNP Ausgängen geeignet. Konfigurierbar via DIP-Schalter und Teach In Wheel. Schraubanschluss, Standardkonfiguration.

Hersteller-Seite

Artikeleigenschaften

Zolltarif-Nr.
85437090
Reach
2025-10-09 - Ja
Ursprungs-Land
DE
WEEE-Land
DE
WEEE-Nummer
50738265
Frequenzmessbereich
0.002 - 20000 Hz
Konfigurationsfunktion integriert
Mit Schaltausgang
ETIM-Klasse
Frequenzmessumformer

Zubehör

Oft zusammen gekauft