Zajadacz EVI

Phoenix 2903242 SCK-M-I-4S-20A

PV-Stringüberwachungsmodul

Artikel
4086046
Lieferanten Typ
SCK-M-I-4S-20A
Lieferanten Artikel
2903242

Beschreibung

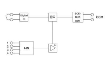
SCK-Messmodul zur Überwachung von Photovoltaikanlagen, 4 x Strommessung bis 20 A, 1 x Digitaleingang, Schnittstelle zum SCK-Kommunikationsmodul

Hersteller-Seite

Artikeleigenschaften

Zolltarif-Nr.
90303370
Reach
2025-10-09 - Ja
Ursprungs-Land
DE
WEEE-Land
DE
WEEE-Nummer
50738265
Anfangswert Messbereich Strom
0 A
Endwert Messbereich Strom
20 A
Konfigurationsfunktion integriert
Mit Schaltausgang
ETIM-Klasse
Strommessumformer

Oft zusammen gekauft