Zajadacz EVI

Phoenix 2903591 SCK-M-U-1500V

PV-Stringüberwachungsmodul

Artikel
4083310
Lieferanten Typ
SCK-M-U-1500V
Lieferanten Artikel
2903591

Beschreibung

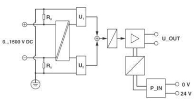
SCK-Messmodul zur Überwachung von Photovoltaikanlagen, 1 x Spannungsmessung bis 1500 V DC, 1 x Analogausgang (2...10 V)

Hersteller-Seite

Artikeleigenschaften

Zolltarif-Nr.
90303370
Reach
2025-10-09 - Ja
Ursprungs-Land
DE
WEEE-Land
DE
WEEE-Nummer
50738265
Anfangswert Messbereich Spannung
0 V
Endwert Messbereich Spannung
1500 V
Konfigurationsfunktion integriert
Mit Schaltausgang
ETIM-Klasse
Spannungsmessumformer

Oft zusammen gekauft