Zajadacz EVI

Phoenix 2906032 CBMC E4 24DC/1-10A NO

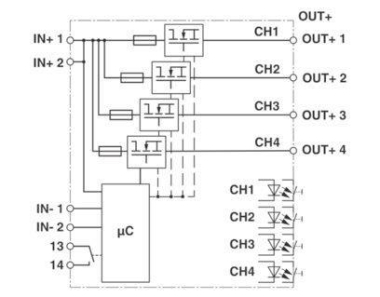
Elektronischer Geräteschutzschalter

Artikel
5087810
Lieferanten Typ
CBMC E4 24DC/1-10A N
Lieferanten Artikel
2906032

Beschreibung

Elektronischer Geräteschutzschalter, 1-polig, Auslösekennlinie: elektronisch, Montageart: Tragschiene: 35 mm, Bemessungsstrom: 40 A

Hersteller-Seite

Artikeleigenschaften

Zolltarif-Nr.
85362010
Reach
2025-10-09 - Ja
Ursprungs-Land
DE
WEEE-Land
DE
WEEE-Nummer
50738265
Brennbarkeitsklasse des Isolierstoffs nach UL94
sonstige
Polzahl
1
Breite
36 mm
Höhe
90 mm
Tiefe
98 mm
Montageart
sonstige
Betriebsspannung
30 V
Nennstrom
40 A
Aktive Strombegrenzung x IN
0
Sicherungstyp
elektronisch
Fail-Safe-Element
15 A
Abschaltzeit
0,01 ms
Max. kapazitive Last
0,045 µF
Mit Fernmeldekontakt
Umgebungstemperatur während des Betriebs
-25 - 60 °C
ETIM-Klasse
Geräteschutzschalter

Oft zusammen gekauft