Zajadacz EVI

Phoenix 2906781 TTC-6P-1X2-F-M-24DC-UT-I

Überspannungsschutzgerät

Artikel
5277814
Lieferanten Typ
TTC-6P-1X2-F-M-24DC-
Lieferanten Artikel
2906781

Beschreibung

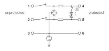
Überspannungsschutz, bestehend aus Schutzstecker und Basiselement, mit integrierter Statusanzeige und Trennmesser für einen 2-adrigen erdpotenzialfrei betriebenen Signalkreis, z. B. 0(4) ... 20 mA Stromschleife. Indirekte Erdung über Gasableiter, HART-fähig. In sicherheitsgerichteten Kreisen bis SIL 3 einsetzbar.

Hersteller-Seite

Artikeleigenschaften

Zolltarif-Nr.
85363010
Reach
2025-10-09 - Ja
Ursprungs-Land
DE
WEEE-Land
DE
WEEE-Nummer
50738265
Nennspannung DC
24 - 24 V
ETIM-Klasse
Überspannungsableiter für Informations-/MSR-Technik

Zubehör

Oft zusammen gekauft