Zajadacz EVI

Phoenix 2906820 TTC-6-1X2-M-EX-24DC-UT-I

Überspannungsschutzgerät

Artikel
5277761
Lieferanten Typ
TTC-6-1X2-M-EX-24DC-
Lieferanten Artikel
2906820

Beschreibung

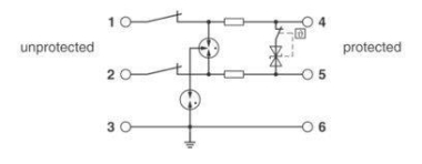
Überspannungsschutz mit integrierter Statusanzeige und Trennmesser für einen 2-adrigen erdpotenzialfrei betriebenen Ex i-Signalkreis, z. B. 0(4) ... 20 mA Stromschleife, HART-fähig. In sicherheitsgerichteten Kreisen bis SIL 3 einsetzbar.

Hersteller-Seite

Artikeleigenschaften

Zolltarif-Nr.
85363010
Reach
2025-10-09 - Ja
Ursprungs-Land
DE
WEEE-Land
DE
WEEE-Nummer
50738265
Nennspannung AC
24 - 24 V
ETIM-Klasse
Kombi-Ableiter für Informations-/MSR-Technik