Zajadacz EVI

Phoenix 2906847 TTC-6-TVSD-C-12DC-PT-I

Überspannungsschutzgerät

Artikel
5277845
Lieferanten Typ
TTC-6-TVSD-C-12DC-PT
Lieferanten Artikel
2906847

Beschreibung

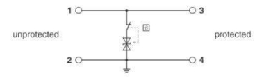
Überspannungs-Feinschutz mit integrierter Statusanzeige für eine Signalader mit geerdetem Bezugspotenzial. In sicherheitsgerichteten Kreisen bis SIL 3 einsetzbar.

Hersteller-Seite

Artikeleigenschaften

Zolltarif-Nr.
85363010
Reach
2025-10-09 - Ja
Ursprungs-Land
DE
WEEE-Land
DE
WEEE-Nummer
50738265
Nennspannung DC
12 - 12 V
ETIM-Klasse
Überspannungsableiter für Informations-/MSR-Technik