Zajadacz EVI

Phoenix 2962900 UM 45- 8RM/MR-G24/1/PLC

Aktivmodul

Artikel
245629
Lieferanten Typ
UM 45- 8RM/MR-G24/1/
Lieferanten Artikel
2962900

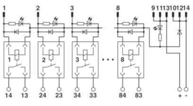
Beschreibung

VARIOFACE-COMPACT-LINE, Ausgabemodul mit 8 Miniaturrelais, je 1 Schließer, gesteckt, für 24 V DC (inkl. Relais)

Hersteller-Seite

Artikeleigenschaften

Zolltarif-Nr.
85364190
Reach
2025-10-09 - Ja
Ursprungs-Land
DE
WEEE-Land
DE
WEEE-Nummer
50738265
Ausführung elektrischer Anschluss, feldseitig
Schraubanschluss
Ausführung elektrischer Anschluss, steuerseitig
Flachstecker
Polzahl
3
Bemessungsspannung
24 V
Bemessungsstrom
0,0065 A
Tiefe
50,5 mm
Breite
103 mm
Höhe
45 mm
Montageart
Hutschiene TH35
ETIM-Klasse
Übergabemodul

Zubehör

Oft zusammen gekauft