Zajadacz EVI

Phoenix 2980335 PLC-BSC-230UC/21/SO46

Relaissockel

Artikel
117597
Lieferanten Typ
PLC-BSC-230UC/21/SO4
Lieferanten Artikel
2980335

Beschreibung

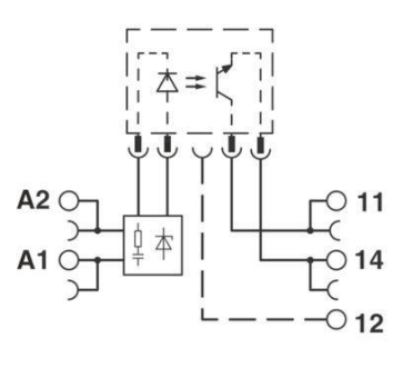
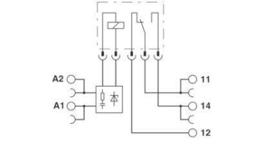
6,2 mm PLC-Grundklemme gegen Störströme bzw. Störspannungen auf der Steuerseite mit Schraubanschluss, ohne Relais- oder Solid-State-Relaisbestückung, zur Montage auf Tragschiene NS 35/7,5, mit integriertem RCZ-Filter, 1 Wechsler, Eingangsspannung 230 V AC

Hersteller-Seite

Artikeleigenschaften

Zolltarif-Nr.
85366990
Reach
2025-10-09 - Ja
Ursprungs-Land
DE
WEEE-Land
DE
WEEE-Nummer
50738265
Ausführung des elektrischen Anschlusses
sonstige
Montageart
sonstige
Mit abnehmbaren Klemmen
Funktionale Ergänzung möglich
Anzahl der Pins
5
Breite
6,2 mm
Höhe
80 mm
Tiefe
94 mm
ETIM-Klasse
Relaissockel

Zubehör

Oft zusammen gekauft