Zajadacz EVI

Phoenix 2982100 OPT-24DC/ 24DC/ 5

Miniatur-Solid-State-Relais

Artikel
118884
Lieferanten Typ
OPT-24DC/ 24DC/ 5
Lieferanten Artikel
2982100

Beschreibung

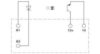
Steckbares Miniatur-Solid-State-Relais, Leistungs-Solid-State-Relais, 1 Schließer, Eingang: 24 V DC, Ausgang: 3-33 V DC/5 A

Hersteller-Seite

Artikeleigenschaften

Zolltarif-Nr.
85364190
Reach
2025-10-09 - Ja
Ursprungs-Land
HU
WEEE-Land
DE
WEEE-Nummer
50738265
Eingangsspannung
19.2 - 28.8 V
Art der Eingangsspannung
DC
Ausgangsspannung
3 - 33 V
Art der Ausgangsspannung
DC
Bemessungsbetriebsstrom Ie
5 A
Art des Digitalausgangs
elektronisch
Mit LED-Anzeige
ETIM-Klasse
Optokoppler

Oft zusammen gekauft