Zajadacz EVI

Phoenix D-LAN-19Z-24 D-LAN-19"-24

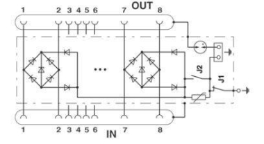
2838791 Überspannungsschutz-Gerät

Artikel
1460201
Lieferanten Typ
D-LAN-19"-24
Lieferanten Artikel
2838791

Beschreibung

Überspannungsschutzgerät DATATRAB zum Schutz von Ports
einer LAN-Verteilung

- Einbauort ist der Etagenverteiler
- 24 LAN-Ports mit RJ45-Anschluss
- schützt alle 8 Signaladern des Datenkabels
- eignet sich für die Netzwerkschnittstellen im Ethernet, Token Ring und CDDi (FDDI)

- Übertragungsraten bis 100 Mbit/s
- Schutzschaltung in Anlehnung an Anforderungsklassen: IEC-Anforderungsklasse: C1, C2, C3
- Cat. 5e

Hersteller-Seite

Artikeleigenschaften

Zolltarif-Nr.
85363010
Reach
2025-10-09 - Ja
Ursprungs-Land
DE
WEEE-Land
DE
WEEE-Nummer
50738265

Oft zusammen gekauft