Zajadacz EVI

Phoenix ELR H3-IES-PT- 24DC/500AC-9

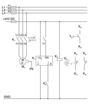
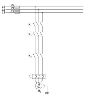
2903918 Hybrid-Motorstarter

Artikel
4027466
Lieferanten Typ
ELR H3-IES-PT- 24DC/
Lieferanten Artikel
2903918

Beschreibung

Hybridmotorstarter; Funktionen: Motor starten, Motorschutz (Class 10A), Not-Halt, ATEX; Eingang: 24 V DC; Ausgang: 3~, 500 V AC, 9 A; Push-in-Anschluss

Hersteller-Seite

Artikeleigenschaften

Zolltarif-Nr.
85371098
Reach
2025-10-09 - Ja
Ursprungs-Land
DE
WEEE-Land
DE
WEEE-Nummer
50738265
Art des Motorstarters
Direktstarter (DOL)
Mit Kurzschlussauslöser
Bemessungssteuerspeisespannung DC
19.2 - 19.2 V
Bemessungsbetriebsstrom Ie
9 A
Bemessungsbetriebsstrom bei AC-3, 400 V
9 A
Überlastauslöser Stromeinstellung
1.5 - 9 A
Anzahl der Hilfskontakte als Schließer
1
Anzahl der Hilfskontakte als Öffner
1
Temperaturkompensierter Überlastschutz
Auslöseklasse
CLASS 10
Anschlussart Hauptstromkreis
Federzuganschluss
Ausführung elektrischer Anschluss für Hilfs- und Steuerstromkreis
Federzuganschluss
Tragschienenmontage möglich
Anzahl der Befehlsstellen
1
Geeignet für NOT-AUS
Externer Reset möglich
Schutzart (IP)
IP20
Breite
22,5 mm
Höhe
107,5 mm
Tiefe
114 mm
ETIM-Klasse
Motorstarter/Motorstarterkombination