Zajadacz EVI

Phoenix FLT-SEC-T1+T2-3C-350/25-FM

2905469 Blitzstrom-/Überspannungsleiter

Artikel
4531746
Lieferanten Typ
FLT-SEC-T1+T2-3C-350
Lieferanten Artikel
2905469

Beschreibung

Universelle Blitzstrom- und Überspannungsableiterkombination
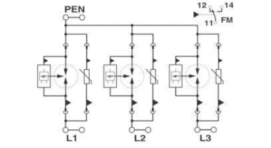
3-phasige Stromversorgungsnetze für 4- und 5-Leitersysteme geeignet

Aktiv kontrollierte Energiesteuerung zwischen Blitzstrom- und Überspannungsableiter auf Basis des AEC-Prinzips. Leistungsanforderungen gem. IEC Class I und Class II.

- Hohe Lebensdauer des Ableiter und der elektrischen Installation dank SEC Technology mit netzfolgestromfreier Funkenstrecke
- Minimierter Installationsaufwand durch kombinierte Ableiter
- Basiselement anschlussvariabel montierbar (Außenleiter von oben oder von unten)
- Schutzstecker lassen sich wahlweise um 180° gedreht in das Basiselement stecken (Steckerbeschriftung lesbar)
- Sicherung vor Fehlbestückung mit falschen Steckern durch mechanische Kodierung von Basiselement und Stecker
- Biconnect-Klemmen zum Anschluss von Rundleitern und Verdrahtungsbrücken
- Schutzschaltung in Anlehnung an Anforderungsklassen: IEC Prüfklasse: I+II; VDE Anforderungsklasse: B und C; EN-Type: T1+T2

Technische Daten FLT-SEC-T1+T2-3C... FLT-SEC-T1+T2-3S
Blitzprüfstrom Iimp (10/350)µs: 75 kA 100 kA
Einsatz in Stromver-
sorgungssystemen mit: 4 Leitern 5 Leitern
Anschluss: L1, L2, L3, PEN L1, L2, L3, N, PE
Nennspannung UN: 240/415 V AC 240/415 V AC
Schutzpegel. ≤1,5 kV ≤1,5 kV
Kurzschlussstromlöschend
ohne Vorsicherung: 25 kA/264 V 25 kA/264 V
Max. erforderliche
Vorsicherung: 315 A gL/gG 315 A gL/gG
Gehäusebreite: 106,9 mm (6 TE) 142,8 mm (8 TE)

Hersteller-Seite

Artikeleigenschaften

Zolltarif-Nr.
85363030
Reach
2025-10-09 - Ja
Ursprungs-Land
DE
WEEE-Land
DE
WEEE-Nummer
50738265
Netzform DC
Netzform IT
Netzform TN
Netzform TN-C
Netzform TN-C-S
Netzform TN-S
Netzform TT
Netzform sonstige
Höchste Dauerspannung AC
350 V
Schutzpegel L-N
1,5 kV
Folgestromlöschfähigkeit
25 kA
Max. Überstromschutzeinrichtung Stichverdrahtung (Sicherung)
315 A
Max. Überstromschutzeinrichtung V-Verdrahtung (Sicherung)
125 A
Montageart
Hutschiene TH35
Baugröße
sonstige
Max. Leiterquerschnitt starr (ein-/mehrdrähtig)
35 qmm
Max. Leiterquerschnitt flexibel (feindrähtig)
35 qmm
Fernsignalisierung
Signalisierung am Gerät
optisch
Prüfklasse
Typ 1
Integrierte Vorsicherung
Spannungsschaltende Funkenstreckentechnologie
Schutzart (IP)
IP20
ETIM-Klasse
Kombi-Ableiter für Energietechnik

Zubehör

Oft zusammen gekauft