Zajadacz EVI

Phoenix MINI MCR-SL-CVS-24-5-10-NC

2902822 Konstantspannungsquelle Schraub

Artikel
3798442
Lieferanten Typ
MINI MCR-SL-CVS-24-5
Lieferanten Artikel
2902822

Beschreibung

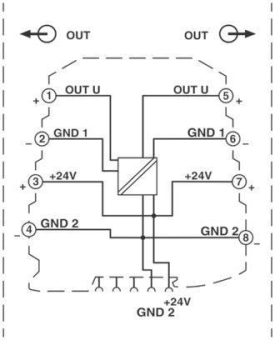
Konstantspannungsquelle, Eingangsspannung 9,6 V DC ... 30 V DC, Ausgangspannung 10 V, 7,5 V , 5 V, 2,5 V DC, galvanisch getrennt, über DIP-Schalter konfigurierbar, Schraubanschlusstechnik, Standardkonfiguration

Hersteller-Seite

Artikeleigenschaften

Zolltarif-Nr.
85437090
Reach
2025-10-09 - Ja
Ursprungs-Land
DE
WEEE-Land
DE
WEEE-Nummer
50738265
Art des Zubehörs/Ersatzteils
sonstige
Zubehör
Ersatzteil
ETIM-Klasse
Zubehör/Ersatzteile für Niederspannungs-Schalttechnik

Zubehör

Oft zusammen gekauft