Zajadacz EVI

Phoenix PLC-OPT- 24DC/ 48DC/100/SEN

2900358 Solid-State-Relaismodul

Artikel
3345444
Lieferanten Typ
PLC-OPT- 24DC/ 48DC/
Lieferanten Artikel
2900358

Beschreibung

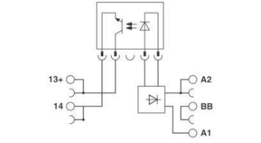
PLC-INTERFACE für Eingabefunktionen, bestehend aus Grundklemme PLC-BPT.../SEN mit Push-in-Anschluss und steckbarem Miniatur-Solid-State-Relais, zur Montage auf Tragschiene NS 35/7,5, 1 Schließer, Eingang: 24 V DC, Ausgang: 3-48 V DC/100 mA

Hersteller-Seite

Artikeleigenschaften

Zolltarif-Nr.
85364190
Reach
2025-10-09 - Ja
Ursprungs-Land
DE
WEEE-Land
DE
WEEE-Nummer
50738265
Eingangsspannung
19.2 - 28.8 V
Art der Eingangsspannung
DC
Ausgangsspannung
3 - 48 V
Art der Ausgangsspannung
DC
Bemessungsbetriebsstrom Ie
0,1 A
Art des Digitalausgangs
elektronisch
Mit LED-Anzeige
ETIM-Klasse
Optokoppler

Zubehör

Oft zusammen gekauft