Zajadacz EVI

Phoenix PLC-OSC- 24DC/230AC/ 1/ACT

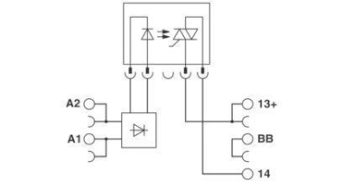
2967947 Solid-State-Relaismodul

Artikel
076900
Lieferanten Typ
PLC-OSC- 24DC/230AC/
Lieferanten Artikel
2967947

Beschreibung

PLC-INTERFACE für Ausgabefunktionen, bestehend aus Grundklemme PLC-BSC.../ACT mit Schraubanschluss und steckbarem Miniatur-Solid-State-Relais, zur Montage auf Tragschiene NS 35/7,5, 1 Schließer, Eingang: 24 V DC, Ausgang: 24 ... 253 V AC/0,75 A

Hersteller-Seite

Artikeleigenschaften

Zolltarif-Nr.
85364190
Reach
2025-10-09 - Ja
Ursprungs-Land
DE
WEEE-Land
DE
WEEE-Nummer
50738265
Eingangsspannung
19.2 - 28.8 V
Art der Eingangsspannung
DC
Ausgangsspannung
24 - 253 V
Art der Ausgangsspannung
AC
Bemessungsbetriebsstrom Ie
0,75 A
Art des Digitalausgangs
elektronisch
Mit LED-Anzeige
ETIM-Klasse
Optokoppler

Zubehör

Oft zusammen gekauft