Zajadacz EVI

Phoenix QUINT-ORING/24DC/2X40/1X80

2902879 Redundanzmodul

Artikel
4029210
Lieferanten Typ
QUINT-ORING/24DC/2X4
Lieferanten Artikel
2902879

Beschreibung

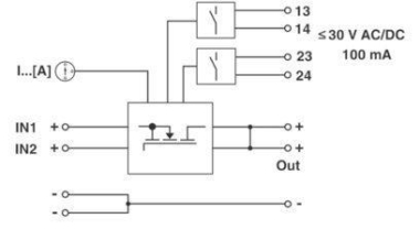
Aktives QUINT-Redundanzmodul zur Tragschienenmontage mit ACB Technology (Auto Current Balancing) und Überwachungsfunktionen, Eingang: 24 V DC / 2x 40 A, Ausgang: 24 V DC / 1 x 80 A, inkl. montiertem Universaltragschienenadapter UTA 107/30

Hersteller-Seite

Artikeleigenschaften

Zolltarif-Nr.
85371091
Reach
2025-10-09 - Ja
Ursprungs-Land
IN
WEEE-Land
DE
WEEE-Nummer
50738265
Funktion
sonstige
Spannungsart der Betriebsspannung
DC
Betriebsspannung DC
18 - 28 V
Mit LED-Anzeige
ETIM-Klasse
Baustein für Schutzbeschaltung

Zubehör

Oft zusammen gekauft