Zajadacz EVI

Phoenix QUINT4-S-ORING/12-24DC/1X40/+

2907753 Redundanzmodul schutzlackiert

Artikel
5277419
Lieferanten Typ
QUINT4-S-ORING/12-24
Lieferanten Artikel
2907753

Beschreibung

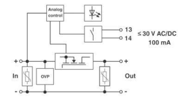
Aktives QUINT Single-Redundanzmodul zur Tragschienenmontage, schutzlackiert, Eingang: 12 V DC ... 24 V DC, Ausgang: 12 V DC ... 24 V DC / 1 x 40 A, integrierter Überspannungsschutz

Hersteller-Seite

Artikeleigenschaften

Zolltarif-Nr.
85371091
Reach
2025-10-09 - Ja
Ursprungs-Land
CN
WEEE-Land
DE
WEEE-Nummer
50738265
Funktion
sonstige
Spannungsart der Betriebsspannung
DC
Betriebsspannung DC
8 - 26 V
Mit LED-Anzeige
ETIM-Klasse
Baustein für Schutzbeschaltung

Zubehör

Oft zusammen gekauft