Zajadacz EVI

Phoenix QUINT4-UPS/1AC/1AC/500VA/USB

1067327 Unterbrechungsfreie Stromversorg

Artikel
6171302
Lieferanten Typ
QUINT4-UPS/1AC/1AC/5
Lieferanten Artikel
1067327

Beschreibung

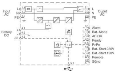
QUINT AC-USV, IQ Technology, Tragschienenmontage, Eingang: 120 V AC / 230 V AC, Ausgang: 120 V AC / 230 V AC / 500 VA. Ausgang: 120 V AC / 500 VA. Ausgang: 230 V AC / 500 VA.

Hersteller-Seite

Artikeleigenschaften

Zolltarif-Nr.
85371091
Reach
2025-10-09 - Ja
Ursprungs-Land
DE
WEEE-Land
DE
WEEE-Nummer
50738265
Eingangsspannung
90 - 264 V
Ausgangsspannung
120 - 230 V
USB-Schnittstelle
Mit Kommunikationsschnittstelle RS-232
SNMP
Spannungsart
AC
Höhe
130 mm
Breite
180 mm
Tiefe
125 mm
Gewicht
2,724 kg
Eingangsanschluss
sonstige
ETIM-Klasse
USV-Anlage

Zubehör

Oft zusammen gekauft