Zajadacz EVI

Phoenix SUBCON-PLUS-PROFIB/PG/SC2

2708245 D-SUB-Busstecker

Artikel
1489234
Lieferanten Typ
SUBCON-PLUS-PROFIB/P
Lieferanten Artikel
2708245

Beschreibung

SUBCON-PLUS-PROFIBUS
Für jede PROFIBUS Applikation bis 12 Mbit/s den richtigen D-SUB-Stecker:
- mit Federkraft- (massive Leiter) oder Schraub-Printklemmen (.../SC...) für alle Leiterarten
- mit oder ohne zusätzliche Programmierschnittstelle (.../PG...)
- in gewinkelter oder axialer Kabelzuführung (.../AX...)
- Kabelzuführung von links oder von rechts Vor-Ort konfigurierbar

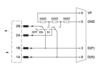
Integrierte Abschlusswiderstände sind über Schiebeschalter zuschaltbar sowie die
weiterführende Busleitung abschaltbar. Geschirmtes, metallisiertes Gehäuse,
Kabeldurchmesser 8 mm (Standard Profibuskabel Typ A und B)

Technische Daten
Spannung: 60 V AC/DC
Stromtragfähigkeit: 1 A
Temperaturbereich: -20 °C...+70 °C
Anschluss (starr/flexibel/AWG): 0,14-1,5 mm2/0,14-1,0 mm2/AWG 26-16
0,32 mm2/0,2 mm2/AWG 22 (IDC-Anschluss)
Pinbelegung: 3,6,5,8
Schraubanschluss
Ausführung: 35° gewinkelt
Schutzart: IP40
Maße (HxLxB): 39,4x58x16,6 mm

Hersteller-Seite

Artikeleigenschaften

Zolltarif-Nr.
85366990
Reach
2025-10-09 - Ja
Ursprungs-Land
DE
WEEE-Land
DE
WEEE-Nummer
50738265
Polzahl
9
Kontaktausführung
männlich (male)
ETIM-Klasse
D-Sub-Steckverbinder

Zubehör

Oft zusammen gekauft