Zajadacz EVI

Phoenix VAL-MB-T1/T2 1500DC-PV/2+V-FM

2905640 Blitzstrom-/Überspannungsleiter

Artikel
4978988
Lieferanten Typ
VAL-MB-T1/T2 1500DC-
Lieferanten Artikel
2905640

Beschreibung

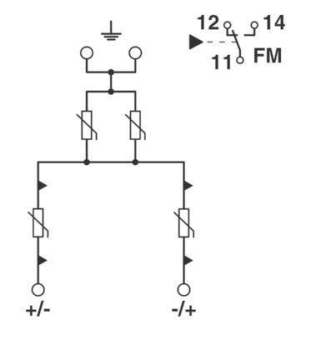
Blitzstrom- / Überspannungsableiter für 2-polige isolierte und geerdete PV-Gleichspannungssysteme 1500 V DC, für Tragschienenmontage, mit Fernmeldekontakt, temperaturüberwachte Schutzelemente, Statusmeldung am Modul.

Hersteller-Seite

Artikeleigenschaften

Zolltarif-Nr.
85354000
Reach
2025-10-09 - Ja
Ursprungs-Land
IN
WEEE-Land
DE
WEEE-Nummer
50738265
Netzform DC
Netzform IT
Netzform TN
Netzform TN-C
Netzform TN-C-S
Netzform TN-S
Netzform TT
Netzform sonstige
Blitzstoßstrom (10/350 µs)
6,25 kA
Nennableitstoßstrom (8/20)
40 kA
Höchste Dauerspannung DC
1500 V
Schutzpegel (DC+ - DC-)
4,5 kV
Schutzpegel (DC+/DC- - PE)
4,5 kV
Montageart
Hutschiene TH35
Baugröße
sonstige
Max. Leiterquerschnitt flexibel (feindrähtig)
35 qmm
Mit Fernmeldekontakt
Signalisierung am Gerät
optisch
Prüfklasse Typ 1
Schutzart (IP)
IP20
ETIM-Klasse
Blitzstromableiter für Energietechnik

Zubehör

Oft zusammen gekauft