Zajadacz EVI

Phoenix VIP-2/PT/PDM-2/16/FU 6.3A

2903603 Potenzialverteiler

Artikel
4187648
Lieferanten Typ
VIP-2/PT/PDM-2/16/FU
Lieferanten Artikel
2903603

Beschreibung

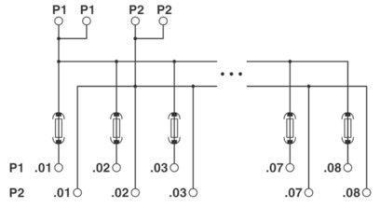
VARIOFACE-Modul, mit zwei Potenzialschienen (P1, P2) zur Potenzialverteilung, zur Montage auf NS 35-Tragschienen. Modulbreite: 97,7 mm

Hersteller-Seite

Artikeleigenschaften

Zolltarif-Nr.
85369010
Reach
2025-10-09 - Ja
Ursprungs-Land
US
WEEE-Land
DE
WEEE-Nummer
50738265
Höhe
109,8 mm
Breite
97,7 mm
Tiefe
51 mm
Max. Bemessungsstrom
30 A
Polzahl
2
Leiterquerschnitt flexibel (feindrähtig) mit Aderendhülse
0.2 - 6 qmm
Leiterquerschnitt starr (ein-/mehrdrähtig)
0.2 - 10 qmm
Anzahl der Klemmstellen je Pol
8
Mit PE-Schiene
Mit N-Schiene
ETIM-Klasse
Verteilerbaugruppe Klemmen

Oft zusammen gekauft