Zajadacz EVI

RB Autom. AMS1/2NFUUP 160 101 19

Wechselschalter

Artikel
196553
Lieferanten Typ
AMS 1/2 NFF Up
Lieferanten Artikel
16010119

Beschreibung

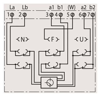
Automatischer Mehrfachschalter, Unterputz, für max. 2 Telefone und ein Zusatzgerät, perlweiß (ähnlich RAL 1013); - für zwei Telefone und ein Zusatzgerät; - NFF-codiert; - 3x6-polig; - 7 Schraubkontakte; - Anschaltung von Fernschalt- und Stömeldegeräten oder Anrufbeantworter; - für IWV- oder MFV-Wahlverfahren; - Signalisierung an allen Geräten; - priorisierte Annahme (erstes Abheben); - N-Buchse vorrangig; - Gesprächsweitergabe durch Abheben/Auflegen; - Speisung über das TK-Netz (2-Draht); - geeignet für Telefone mit W-Ader; - max. 4 rufaktive Geräte; - Gehäuseteile aus ABS; - Schutzart IP20 gem. EN60529

Hersteller-Seite

Artikeleigenschaften

Zolltarif-Nr.
85365019
Ursprungs-Land
DE
WEEE-Land
DE
WEEE-Nummer
53923396
Ausführung
automatischer Umschalter
Montageart
Unterputz
ETIM-Klasse
Zusatzgerät für Fernmeldetechnik

Oft zusammen gekauft