Zajadacz EVI

RUTEC PC-Profil 1St = 2000mm 68308

für Vardaflex IP68 Strip (nur Innen)

Artikel
4215936
Lieferanten Typ
68308
Lieferanten Artikel
68308

Beschreibung

SECONDLIFE ARTIKEL -stark rabattiert- Nur solange der Vorrat reicht! https://rutec.de/secondlife

Hersteller-Seite

Artikeleigenschaften

Zolltarif-Nr.
39269097
Ursprungs-Land
CN
WEEE-Land
DE
WEEE-Nummer
19241456
Art des Zubehörs/Ersatzteils
Aufbaugehäuse
Zubehör
Ersatzteil
Transparent
Werkstoff
Kunststoff
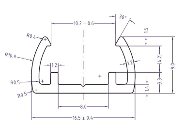
Länge
2000 mm
Breite
16,5 mm
Höhe
9 mm
ETIM-Klasse
Mechanisches Zubehör/Ersatzteile für Leuchten

Artikelinformationen vom Hersteller

Oft zusammen gekauft