Zajadacz EVI

SCHUC 163 12L22G2/1 MA LED- 163070031

Notleuchte 1 h 17W 2250lm IP65 sym-

Artikel
5256584
Lieferanten Typ
163 12L22G2/1 MA
Lieferanten Artikel
163070031

Beschreibung

LED-Notleuchte, 17 W, 2320 lm, selbst Versorgung (MA), Selbsttest, Betriebsdauer 1 h, SKI, IP65, symmetrisch-breitstrahlend, 4000 K, Ra= 80, Ta 0 °C/+30 °C, L70>100000 h (@ Ta max), L80>70000 h (@ Ta max), L90>50000 h (@ Ta 25°C), Wanne PMMA satiniert, Verschluss Kunststoff, Gehäuse glasfaserverstärktes Polyester, Farbe grau, EAN/GTIN:4041254303352.LED-Feuchtraum-Notleuchte selbstversorgt und automatischer Selbstüberwachung gemäß EN62034. Glasfaserverstärktes Polyestergehäuse, satinierte PMMA-Abschlusswanne mit Schlagzähkomponente, geschäumte Dichtung und Verschlussklammern, davon zwei Sicherheitsverschlüsse. Lackierter Aluminiumreflektor mit EVG, hocheffizienten Zhaga-konformen LED-Modulen und Abdeckung der LED-Module (Berührschutz). NiCd-Batterie mit elektronischem Ladesystem, kurzschlussfestem Akku-Anschluss, Verpolungsschutz und Tiefentladeschutz. Automatische Funktionsüberwachung mit optischer Anzeige der Prüfergebnisse.

Hersteller-Seite

Artikeleigenschaften

Zolltarif-Nr.
94051140
Ursprungs-Land
DE
WEEE-Land
DE
WEEE-Nummer
24868251
Montageart
Wandanbau/Deckenanbau
Funktion
Rettungswegbeleuchtung
Mit Piktogramm
Überwachungseinrichtung
automatischer Selbsttest
Geeignet für Bereitschaftsschaltung
Geeignet für Dauerschaltung
Mit Fernschalteranschluss
Mit Fernbedienung
Einspeisung
dezentral (Einzelbatterie)
Akkubeschaffenheit
NiCd
Leuchtmittel
LED austauschbar
Mit Leuchtmittel
Werkstoff des Gehäuses
Kunststoff
Gehäusefarbe
grau
Werkstoff der Abdeckung
Kunststoff matt/satiniert
Spannungsart
AC
Nennspannung
220 - 240 V
Betriebsgerät
LED-Betriebsgerät stromgesteuert
Austauschbares Betriebsgerät
Lichtverteiler
ohne
Max. Anzahl der Leuchten Leitungsschutzschalter B16
14
Konstant-Lichtstrom-Regelung
Schutzart (IP)
IP65
Schlagfestigkeit
IK06
Schutzklasse
I
Leuchte mit begrenzter Oberflächentemperatur "D-Zeichen" nach EN 60598-2-24
Bemessungsumgebungstemperatur nach IEC 62722-2-1
0 - 30 °C
Max. Systemleistung
17 W
Bemessungslichtstrom nach IEC 62722-2-1
2320 lm
Farbtemperatur
4000 - 4000 K
Nennbetriebsdauer
1 - 1 h
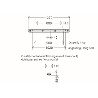
Breite
116 mm
Höhe/Tiefe
88 mm
Länge
1272 mm
Art der Verdrahtung
Abschluss
Polzahl
4
Anschlussart
Steckanschluss
ETIM-Klasse
Sicherheitsleuchte

Oft zusammen gekauft