SIEM Halbleiterschütz 3RF2 3RF2320-1DA22

AC51 20A 40 Grad C 24-230V/110-230VAC

Artikel
063866
Lieferanten Typ
3RF2320-1DA22
Lieferanten Artikel
3RF23201DA22

Beschreibung

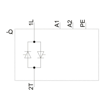
Halbleiterschütz 1-phasig 3RF2 AC 51 / 20 A / 40 °C 24-230 V / 110-230 V AC kurzschlussfest mit B-Automat Halbleiterschütz SIRIUS 3RF23 zum Schalten von ohmschen/induktiven Lasten, z. B. von Heizkörpern oder Ventilen in einer Abfüllanlage. Die Geräte schalten verschleißfrei und lautlos und sind daher ideal für geräuschsensible Bereiche (Büros, Krankenhäuser). Sie sind auch bei hohen Schaltfrequenzen äußerst zuverlässig. Da der Kühlkörper bereits integriert ist, können sie direkt im Schaltschrank eingesetzt werden. Die kompakte Bauweise spart Platz auf der Hutschiene. Die Halbleiterschütze lassen sich zudem durch die standardisierten Funktionsmodule 3RF29 für vielfältige Anwendungen durch einfaches Aufklicken erweitern. Die Geräte sind weltweit zugelassen (z.B. IEC und UL/CSA). Die Halbleiterschütze sind als 1-phasige oder 3-phasige Geräte verfügbar. Sie sind für verschiedene Leistungen und Bemessungsbetriebsspannungen erhältlich. Ausgelegt für AC- oder DC-Betätigung stehen sie mit Schraub-, Federzug- oder Ringkabelschuhanschluss zur Verfügung. Als Zubehör stehen neben den Funktionsmodulen 3RF29 auch Steuerstecker und Klemmenabdeckungen zur Verfügung. Einfach, effizient, immer aktuell - der SIRIUS Systembaukasten.

Hersteller-Seite

Artikeleigenschaften

Zolltarif-Nr.
85364900
Reach
2025-08-20 - Ja
Ursprungs-Land
DE
WEEE-Land
DE
WEEE-Nummer
23691322
Ausführung des elektrischen Anschlusses
Schraubanschluss
Mit abnehmbaren Klemmen
Geeignet für Reiheneinbau
Bemessungssteuerspeisespannung AC 50 Hz
110 - 230 V
Bemessungssteuerspeisespannung AC 60 Hz
110 - 230 V
Spannungsart zur Betätigung
AC
Anzahl der Phasen
1
Ausführung der Schaltfunktion
Schließer (NO)
Spannungsart der Betriebsspannung
AC
Betriebsspannung AC 50 Hz
24 - 230 V
Betriebsspannung AC 60 Hz
24 - 230 V
Bemessungsbetriebsstrom Ie bei AC-1
20 A
Bemessungsbetriebsstrom Ie bei AC-51
20 A
Schutzart (IP)
IP20
Breite
22,5 mm
Höhe
95 mm
Tiefe
120 mm
ETIM-Klasse
Halbleiterrelais