Zajadacz EVI

SIEM SIRIUS 3RQ3 3RQ3018-1AB00

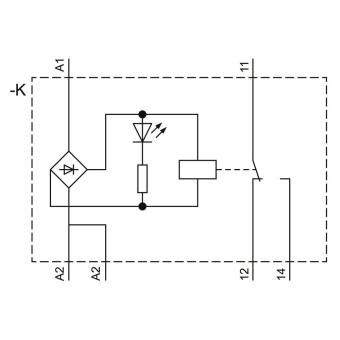
Koppelrelais Relaisausgang

Artikel
4746157
Lieferanten Typ
3RQ3018-1AB00
Lieferanten Artikel
3RQ30181AB00

Beschreibung

!!! Auslaufprodukt !!! Der präferierte Nachfolger ist 3RQ4018-1AB00 Ausgangskoppler Relaiskoppler, 1 Wechsler AC/DC 24 V Baubreite 6,2 mm Schraubanschluss thermischer Strom 6A Koppelrelais mit Relaisausgang (nicht steckbar) SIRIUS 3RQ3 für die galvanische Trennung, Verstärkung und Signalanpassung zwischen Steuerung und Peripherie. Sehr schmal und kompakt. Schnelles und fehlerfreies Verdrahten auf Grund der durchgängigen Brückbarkeit aller Potenziale. Mehrere Beschriftungsflächen zur Klemmen- und Gerätekennzeichnung vorhanden. Lieferbar als Koppelrelais mit Relaisausgang, mit Halbleiterausgang oder mit Steckrelais, mit verschiedenen Betriebsspannungen und Ausgangsströmen sowie mit hartvergoldeten Kontakten oder mit Hand-Automatik-Umschaltung. Einheitliches Zubehör für sämtliche Gerätevarianten, wie z.B. Verbindungskämme, Klippschilder oder Potenzialtrennplatten vereinfachen die Auswahl und die Lagerhaltung. SIRIUS Relais - ein Programm für alle Fälle.

Hersteller-Seite

Artikeleigenschaften

Zolltarif-Nr.
85364190
EcoVadis Bewertung
Teilnahme/Konformität UNGC
EPD / PEP ecopassport
ISO 50001 Zertifizierung
ISO 14001 Zertifizierung
Ursprungs-Land
TN
WEEE-Land
DE
WEEE-Nummer
23691322
Ausführung des elektrischen Anschlusses
Schraubanschluss
Komplettgerät mit Sockel
Mit abnehmbaren Klemmen
Mit LED-Anzeige
Spannungsart zur Betätigung
AC/DC
Antrieb, Polung
gepolt
Schaltverhalten des Antriebs
monostabil
Anzahl der Kontakte als Wechsler
1
Art des Schaltkontaktes
sonstige
Mit zwangsgeführten Kontakten
Werkstoff des Kontaktes
Silberzinnoxid (AgSnO2)
Spannungsart der Betriebsspannung
AC/DC
Schutzart (IP)
IP20
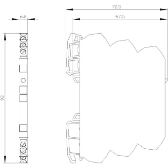
Breite
6,2 mm
Höhe
93 mm
Tiefe
72,5 mm
ETIM-Klasse
Schaltrelais

Zubehör

Oft zusammen gekauft